Présentation

Liste des fonctionnalités :

- Idéal pour web radio afin afficher le titre en cours dans une page web.
- Remplace le contenu des balises de fichiers modèles au format html ou texte par une donnée de la playlist (Idv3, fichier...).
- Transfert les fichiers modifiés par connexion Ftp.
- Affiche les mesures audios.
- Compte ou décompte la durée du titre et de l'intro.
- Possibilité de commander winamp par le port jeu.

Plug-ins Winamp :

- Télécharger le fichier : AssData.dll v2.2 - Copyright ©2000-2003 Christophe GOI
- Code d'enregistrement : Register code
- Compatible winamp 2.71.
- Copier le fichier "AssData.dll" dans le répertoire '...\winamp\plugins'.
- Configuration : Double-click dans la liste.

Liste des champs disponibles :

Champs Remarques
Artiste Mp3 uniquement
Titre Mp3 uniquement
Album Mp3 uniquement
Année Mp3 uniquement
Commentaires Mp3 uniquement
Genre Mp3 uniquement
Fichier Localisation du fichier source
Directory Répertoire du fichier source
FileName Nom du fichier source
Texte Texte affiché dans la playlist de winamp
Durée Durée du fichier source
Plage Position dans la playlist de winamp
Date:hh:nn:ss - dddd dd mm yyyy Heure et date du démarage de titre

Navigation dans la playlist :

Pour naviguer dans la playlist, les champs sont suivis d'un index.
- Champs[0] représente la donnée du champ en cours.
- Champs[-n] représente la donnée du champ n précédent.
- Champs[n] représente la donnée du champ n suivant.

Exemple de mise en forme :

ON AIR : Texte[0]

Résultat :

ON AIR : ABBA - Dancing Queen

Configuration Html

Liste des paramètres de configuration Html :

Propriétés Définitions Défaut
Start Marqueur permettant de trouver le début de nom du champ <blink>
Stop Marqueur permettant de trouver la fin de nom du champ </blink>

Liste des paramètres de configuration des fichiers :

Propriétés Définitions Défaut
Texte avec mise en forme Fichier source au format html ou texte  
Fichier image jpg Fichier au format jpg  
Destination temporaire Fichier après mise en forme  
Répertoire du serveur Répertoire de destination de votre site /Banniere
Genre MP3 Prends en compte le genre des fichiers au format MP3  
Inversé les actions Inverse le résultat des conditions  
Gestion des index Gére le genre courant ou les genres indêxés  
Vider le fichier de destination Si les conditions sont fausses, le fichier de destination est vidé  
Passer au suivant Dans le cas de "Gestion des index", cette option recherche le genre dans les 10 prochains fichiers de la playlist  

Configuration Ftp

Liste des paramètres de configuration Ftp :

Propriétés Définitions Défaut
Adresse du serveur Adresse du serveur de votre site  
Login Votre pseudo  
Mot de passe Votre mot de passe  
Port du serveur Port ftp 21
Connexion Mode de connexion lors des changements Temporaire

Configuration Joystick

Liste des paramètres de configuration Joystick :

Propriétés Définitions Défaut
Commande : Calibrer Ouvre la fenêtre de calibration du controleurs de jeu Windows  
Commnade : Activer Active l'utilisation de port jeu  
Commnade : Visible Affiche ou masque les boutons de commande  
Fader Choix de l'axe pour la commande du fader AX
Fader : Fader Start Active le seuil du fader start -70
Start Choix du bouton pour la commande du player Btn 1
Start : ON & Fader Start lorsque le bouton est ON et le Fader surpérieur au seuil  
Start : OFF -> Next Passe au titre suivant  
Start : OFF -> (none) ne fait pas d'action  
Start : OFF -> Pause Prepare le player  
Start : OFF -> Stop Arrête le player  
User Definition des commandes du player associés aux boutons du joystick  

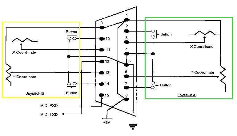
Brochage du port joystick :


Configuration Affichage

Liste des paramètres d'affichage :

Propriétés Définitions Défaut
Image : Visible Masque ou affiche l'image jpg associée au fichier audio  
Image : par défault Image jpg par défaut si le fichier associé n'existe pas  
Vu-meter : Visible Masque ou affiche les vu metres audio  
Compteur : Alarme Indique la durée à partir de laquelle l'alarme s'allume 20
Compteur : Up/Down Mode compteur ou décompteur de l'afficheur Down