Telescope : Celestron - NexStar 5i
  • Schmidt-Cassegrain
  • Diamètre : D=125 mm
  • Focal : F=1250 mm
  • Rapport d'ouverture : F/D = 10
  • Gmax = 2,5xD = 312,5
  • Clareté : D²/6² = 434
  • Pouvoir séparateur : 120/D = 0,96"
  • Monture pilotée par raquette de commande électronique
  • Trepied avec table équatoriale.
Raquette de contrôle
  • Raquette de pointage automatique GOTO
  • Pilotage par PC (com RS232) avec NSRemote
Chercheur
  • Star Pointer
Renvoi coudé
  • Renvoi coudé 90°
  • Coulant 31,75 mm.
Oculaire Celestron Plössl 25 mm
  • Oculaire 1¼" Plössl : f=25 mm
  • Champ : 0,52°
  • Coulant 31,75 mm.
  • G = F/f = 1250 / 25 = 50x
Barlow 2x Meade modèle 140
  • Barlow 2x. Série 4000, triplet apochromatique traité multicouche.
  • Coulant 31,75 mm.
  • Utilisée avec l'oculaire 25 mm : G = 100x.
  • Utilisée entre le tube optique et le renvoi coudé : G ~ 3x.
Correcteur de champ, réducteur de focale Meade series 4000 F/3.3
  • Réducteur de focale Meade series 4000 F/3.3
  • Lentille (tirage 75 mm)
  • Adaptateur T (7 mm)
  • Bague allonge de 15 mm
  • Bague allonge de 30 mm
  • F = 1250 / 3.3 = 378
  • F / D = 378 / 125 = 3
Filtre IR-UV Cut Baader C 1352
  • Ce filtre bloque le rayonnement infra rouge et ultraviolet empêchant les effets de halos et permet d'obtenir des images ponctuelles sur les étoiles.
  • Le taux de transmission est de 98% dans le visible.
  • L'énergie infrarouge est réfléchie par la combinaison d'un dépôt diélectrique comprenant 23 couches. Multitraitements à 7 couches dur absolument résistant aux rayures. Lame à faces parallèles polies très précisément.
  • Montage en barillet fileté au coulant 31.75mm.
Adaptateur webcam au coulant 31,75 mm
  • Permet fixer la webcam au foyer du telescope
  • Calcul du champ de la webcam au foyer = 0,169°
  • Le champ au travers de l'oculaire Plössl de 25 mm est de 0,52° (G = 1250 / 25 = 50x), d'où : Champ oculaire / Champ WebCam x Grossissement oculaire = 0,52° / 0,169° x 50 = 153,8x, et permet d'atteindre la limite du grossissement avec une barlow 2x soit 307,7x.
WebCam - Philips PCVC740K - ToUcam PRO
  • Dimension : 84 x 67 x 47 mm (L x l x H)
  • Capteur : 1/4" CCD (Chip Sony : ICX098BQ)
  • Resolution video : 640 x 480 pixels (VGA)
  • Resolution photo : 1280 x 960 pixels (Megapixel)
  • Min illumination : < 1 Lux
  • balance automatique des blancs : 2500 ­ 7500 K
  • Objectif integré : 6mm f2.0 H33o
  • Max framerate : 60 fps
  • Color depth : 24 bits
  • Taille des cellules : 5.6µm (H) x 5.6µm (V)
  • Taille du capteur: 4,60mm x 3,97mm
  • Taille de l'image : diagonale 4,5mm (type 1/4)
  • Nombre de pixels effectifs : 659 (H) x 494 (V) approx. 330K pixels
  • Nombre total de pixels : 692 (H) x 504 (V) approx. 350K pixels
ROLINE USB 2.0 Docking Station [12.02.1068]
  • Permet le branchement d'appareils USB, sériels (par ex. modems), parallèles (par ex. imprimantes), clavier et souris PS/2 par le port USB du PC ou du notebook
  • Le raccordement à un réseau 10/100 est également possible

  • Les périphériques restent branchés sur la station d'accueil, le PC / notebook est seulement raccordé par un câble USB à la station d'accueil
  • Comprend: Station d'accueil USB, mode d'emploi, câble USB, logiciel pilote sur CD
  • Caractéristiques techniques:
  • Raccordement PC: 1x USB Type B
  • Ports USB (downstream): 2x USB Type A
  • Ports PS/2: 2x mini DIN6
  • Port sériel: 1x DB9 M
  • Port parallèle: 1x DB25 F
  • Port LAN (10/100): 1x RJ45
Mesure des longueurs focales avec la webcam
  • Calculs et mesures avec CamField et MesOPlan

  • Correcteur de focale 3.3 + bague 15mm + Webcam : F = 300
  • Webcam au foyer : F = 1250
  • Barlow 2x + Webcam : F = 3250
  • Barlow 2x + renvoi coudé + Webcam : F = 4500
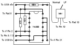
Modification de la ToUcam pour longues poses
  • Cette modification permet de contrôler le temps de pose de la ToUcam par le port parallèle d'un PC.

  • L'opération micro-chirurgicale de la ToUcam consiste à venir insérer ce circuit autour du compsant D16510.

  • Tous les détails de l'opération : Steve Chambers, Etienne Bonduelle, Frederic Brame, que je remercie pour leur aide et leurs conseils.

  • Capture d'images avec AstroCap.
Apprendre avec Redshift
  • Histoire de l'astronomie jusqu'aux bases de l'observation du ciel.
  • Cours interactifs, explications commentées et exemples illustrés.
  • Planètarium.

  • En savoir plus